介紹: 利達LD3600ET主要用于火災報警控制器的二總線回路中,隔離線路中的短路點,保證線路中的其他設備的正常運行??梢耘c 利達公司生產的全系列火災報警控制器配合使用。本產品無污染、功耗低,適用于各種工業(yè)及民用建筑。
功能:
★ 二總線,無極性,不占地址點。
★ 不需要外接電源。
★ 單向使用。
主要技術指標:

外形結構示意圖:

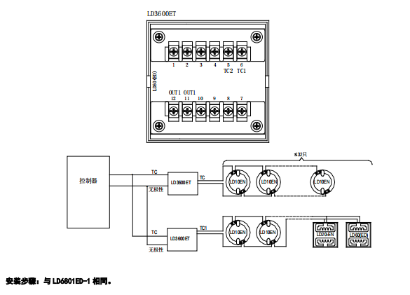
端子圖與接線示意圖:

介紹: 利達LD3600ET主要用于火災報警控制器的二總線回路中,隔離線路中的短路點,保證線路中的其他設備的正常運行??梢耘c 利達公司生產的全系列火災報警控制器配合使用。本產品無污染、功耗低,適用于各種工業(yè)及民用建筑。
功能:
★ 二總線,無極性,不占地址點。
★ 不需要外接電源。
★ 單向使用。
主要技術指標:

外形結構示意圖:

端子圖與接線示意圖:


蘇公網安備32058102002152號